ВП 16

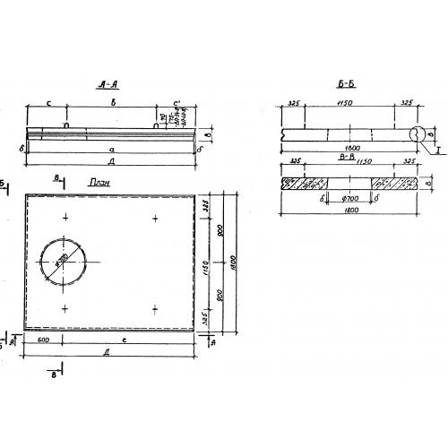
Чертеж изделия:
Характеристики изделия:
ПараметрЗначение
длина1610 мм
ширина1800 мм
высота160 мм
масса875 кг
нормативный документАльбом РК 2303-86

ВП 16  Верхняя плита (плита перекрытия)  Альбом РК 2303-86.