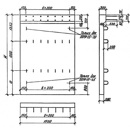
ППФ 15-69

Чертеж изделия:
Характеристики изделия:
ПараметрЗначение
длина1500 мм
ширина300 мм
высота6900 мм
вес5300 кг
серия1.012.1-3.97

ППФ 15-69 Плиты фундаментные плоские по серии 1.012.1-3.97.