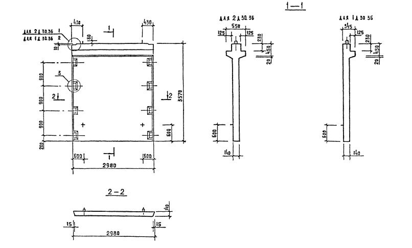
2Д 30.36 диафрагмы жесткости

Чертеж изделия:
Характеристики изделия:
ПараметрЗначение
длина2980 мм
ширина550 мм
высота3570 мм
масса4730 кг
нормативный документСерия 1.020-1/87

2Д 30.36   Диафрагмы жесткости с двумя полками Серия 1.020-1/87.