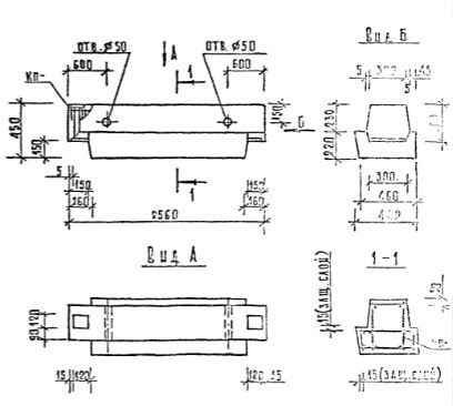
РОП 4.26 ригели
Характеристики изделия:
| Параметр | Значение |
|---|---|
| длина | 2560 мм |
| ширина | 482 мм |
| высота | 450 мм |
| масса | 1050 кг |
| нормативный документ | Серия 1.020-1/87 |
Цена:
Рассчитать стоимостьРОП 4.26 Ригели однополочные для опирания многопустотных плит покрытия Серия 1.020-1/87.