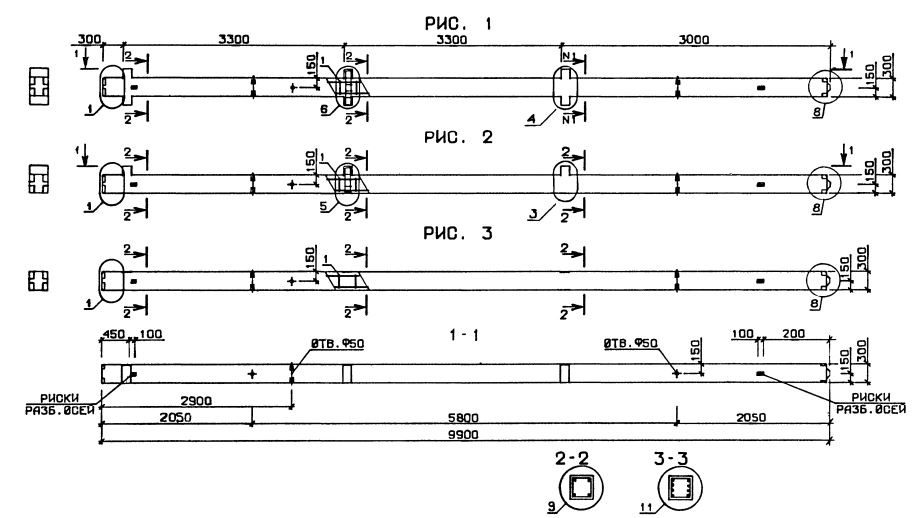
3К 3.33

Чертеж изделия:
Характеристики изделия:
ПараметрЗначение
длина9900 мм
ширина300 мм
высота300 мм
масса2320 кг
нормативный документСерия 1.020.1-3пв

3К 3.33  Колонны Серия 1.020.1-3пв.