5КН 28.37-1.1-сп
| Параметр | Значение |
|---|---|
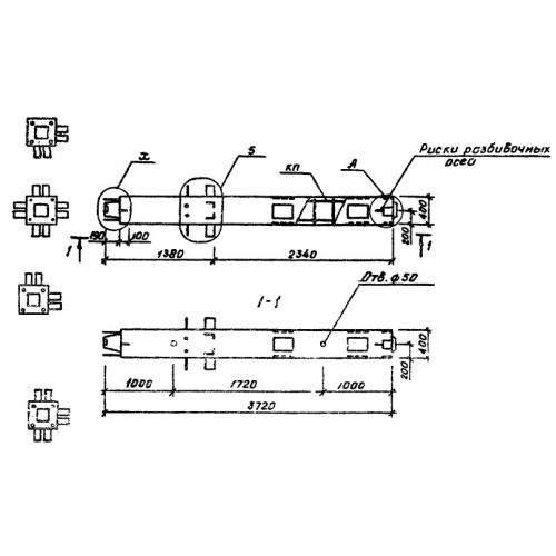
| длина | 3720 мм |
| ширина | 400 мм |
| высота | 400 мм |
| масса | 1425 кг |
| нормативный документ | Серия 1.020.1-6сп |
Колонны нижние (Серия 1.020.1-6сп).
5КН 28.37-1.1-сп 5КН 28.37-2.1-сп 5КН 28.37-4.1-сп 5КН 28.37-5.1-сп
5КН 28.37-1.1-спн 5КН 28.37-2.1-спн 5КН 28.37-4.1-спн 5КН 28.37-5.1-спн
5КН 28.37-1.2-сп 5КН 28.37-2.2-сп 5КН 28.37-4.2-сп 5КН 28.37-5.2-сп
5КН 28.37-1.2-спн 5КН 28.37-2.2-спн 5КН 28.37-4.2-спн 5КН 28.37-5.2-спн
5КН 28.37-1.3-сп 5КН 28.37-2.3-сп 5КН 28.37-4.3-сп 5КН 28.37-5.3-сп
5КН 28.37-1.3-спн 5КН 28.37-2.3-спн 5КН 28.37-4.3-спн 5КН 28.37-5.3-спн
Маркировка колонны:
1. 5 - тип изделия в плане (2 - по внутренним осям с жесткими рамными узлами, 3 - по наружным осям, 5 и 5 с индексом н в конце маркировки - угловые);
2. КН - тип конструкции - колонна нижняя;
3. 28 - высота технического подполья или подвала, в дм;
4. 37 - длина колонны в дм;
5. 1 - индекс несущей способности ( 1,2,4,5);
6. 1 - количество выпусков (1 - по 2 в обоих направлениях, 2 - 4 в продольном и 2 в поперечном направлении, 3 - по 4 в обоих направлениях);
7. сп - изделие разработано для сейсмических районов на просадочных грунтах.
Индекс «н» в конце маркировки означает зеркальное отображение колонны.