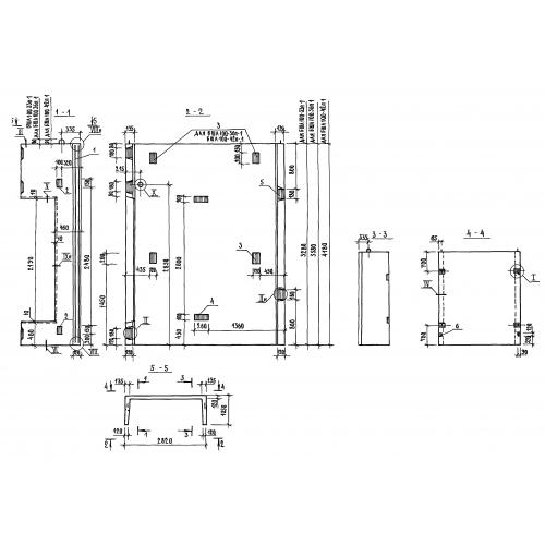
БШЛ 100-33 блок шахты лифта основной

Чертеж изделия:
Характеристики изделия:
ПараметрЗначение
длина2820 мм
ширина1050 мм
высота3280 мм
масса4310 кг
нормативный документСерия 1.089.1-1

БШЛ 100-33 Блоки шахт лифтов Серия 1.089.1-1.