ПВ 16.30-1Т-С

Чертеж изделия:
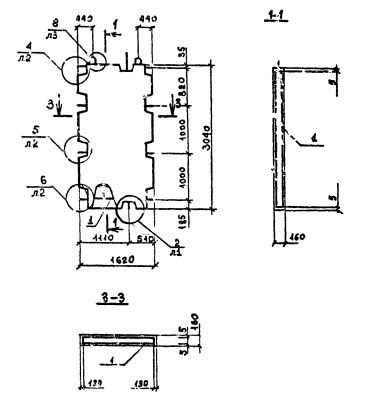
Характеристики изделия:
ПараметрЗначение
длина1620 мм
ширина160 мм
высота3040 мм
масса1820 кг
нормативный документСерия 1.090.1-2с

ПВ 16.30-1Т-С  Панели внутренние без проемов (Серия 1.090.1-2с).

1Т - бетон  тяжелый марки М150.

С - для сейсмических районов.