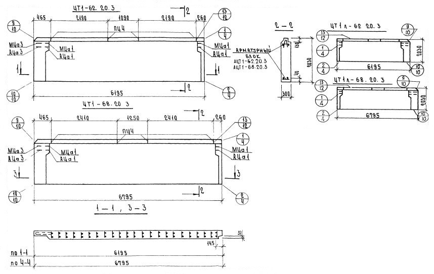
ЦТ1л-62.20.3

Чертеж изделия:
Характеристики изделия:
ПараметрЗначение
длина6195 мм
ширина300 мм
высота2030 мм
масса6550 кг
нормативный документСерия 1.117-13

Серия 1.117-13    Панели наружных цокольных стен групп ЦР2; ЦТ1; ЦТ2  толщиной 300, 350, 400 мм.

ЦТ1л-62.20.3  Панель наружных цокольных стен.

Т1 - группа изделия (торцевая с конструктивными особенностями).

Цифровое обозначение (цифры записаны через точку) указывает на габариты изделия (длина, высота, толщина) в дециметрах.

В несимметричных изделиях "правая" панель дополнительного индекса не имеет, в маркировке "левой" зеркальной панели после характеристики группы изделий проставляется буква "л".