ПСВ 58-27-16-150т-1.4.2

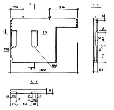
Чертеж изделия:
Характеристики изделия:
ПараметрЗначение
длина5830 мм
ширина160 мм
высота2650 мм
масса4870 кг
нормативный документСерия 1.131.1-23

Серия 1.131.1-23

ПСВ - Панель стеновая внутренняя.

58 - длина (в дм);

27 - высота (в дм);

16 - толщина (в мм);

150 т - марка и вид бетона (из тяжелого бетона (т) марки по прочности на сжатие М150);

1,4,2 - индексы, характеризующие положение панелей в плане здания и их конструктивные особенности ( 1-панели поперечных стен или панели продольных стен, примыкающих к торцу здания; 4 - панель лестничной клетки, 2 - ширина проёма 1380 мм).