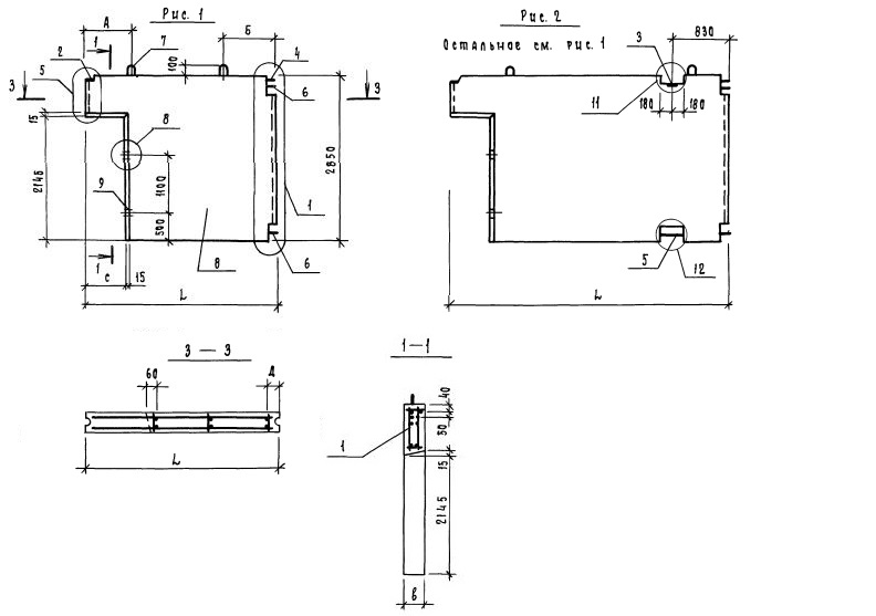
2ПСВ 70-29-12-2т-3

Чертеж изделия:
Характеристики изделия:
ПараметрЗначение
длина7030 мм
ширина120 мм
высота2850 мм
масса4900 кг
нормативный документСерия 1.131.1-25

Серия 1.131.1-25

Маркировка:

1. 2 – группа панелей;

2. ПСВ – (буквенное обозначение панели) Панель стеновая внутренняя;

3. 70  длина (в дм);

4. 29  высота (в дм);

5. 12  толщина (в см);

6.  несущая способность;

7. т  бетон тяжелый;

8.  тип проема.