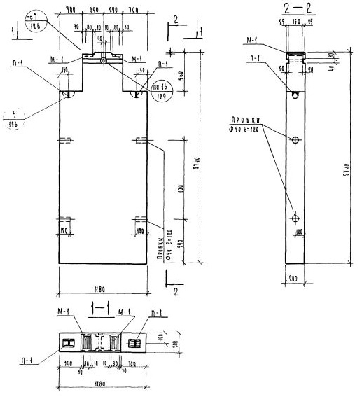
СБВ-12.2.28т-3
Характеристики изделия:
| Параметр | Значение |
|---|---|
| Длина | 1180 мм |
| Ширина | 200 мм |
| Высота | 2740 мм |
| Масса | 1450 кг |
| Нормативный документ | Серия 1.134-1 |
Цена:
Рассчитать стоимостьБлоки внутренних стен по Серии 1.134-1.
СБВ-12.2.28т-3 Стеновой блок внутренний.