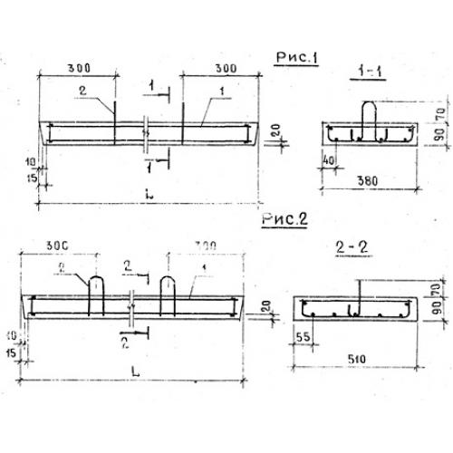
2ПР 14

Чертеж изделия:
Характеристики изделия:
ПараметрЗначение
длина1420 мм
ширина510 мм
высота90 мм
вес163 кг
серия1.138-10

2ПР 14 Перемычки плитные по серии 1.138-10.