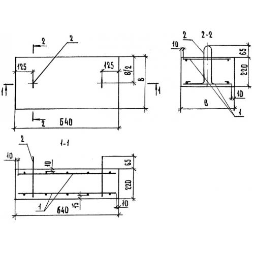
ОП 6-2 опорные плиты прогонов

Чертеж изделия:
Характеристики изделия:
ПараметрЗначение
длина640 мм
ширина250 мм
высота220 мм
масса90 кг
нормативный документСерия 1.225-2

ОП 6-2  Плиты опорные Серия 1.225-2.