3ПССО 30.33.3,5-п

Чертеж изделия:
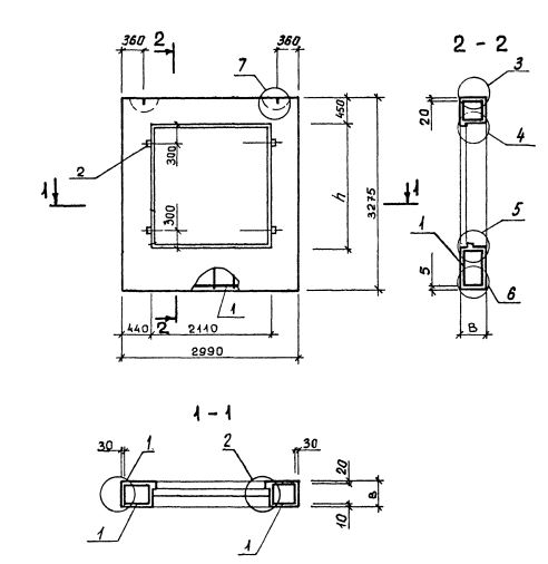
Характеристики изделия:
ПараметрЗначение
Длина2990 мм
Ширина350 мм
Высота3275 мм
Масса3020 кг
Нормативный документСерия 1.232.1-8

Стандарт изготовления изделия: Серия 1.232.1-8

Панель однослойная самонесущая 3ПССО 30.33.3,5-п (1.232.1-8) представляет собой прочную прямоугольную конструкцию, выполненную из легкобетонной смеси и стального внутреннего каркаса. Наружная поверхность строительного элемента обладает эстетичным декоративным слоем. Вертикальные грани наружного слоя запроектированы из условия устройства стыков, заделываемых герметиками. На нижней горизонтальной грани предусмотрена декомпрессионная полость. Конструкционными особенностями, как данной панели, так и всех аналогичных изделий, изготавливаемых по регламенту Серия 1.232.1-8, является наличие проемов для окон и дверей. 

Маркировка

1. 3 - различие в размерах или расположении проема;

2. ПССО - панель стеновая самонесущая с отверстием для установки окна;

3. 30 - длина в дециметрах;

4. 33 - высота в дециметрах;

5. 3,5 - толщина в дециметрах;

6. п - используется бетонная смесь на пористых заполнителях.