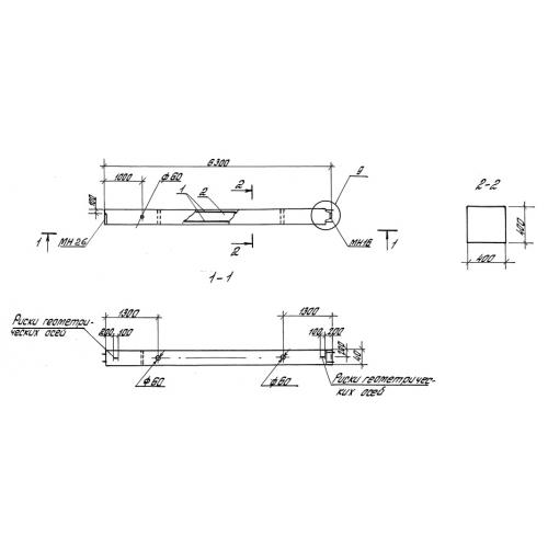
К 42 колонны

Чертеж изделия:
Характеристики изделия:
ПараметрЗначение
длина6300 мм
ширина400 мм
высота400 мм
масса2500 кг
нормативный документСерия 1.420-35.95

К 42 Колонны Серия 1.420-35.95.