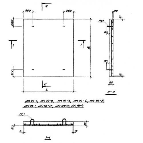
ЛП 15-2 лестничные площадки

Чертеж изделия:
Характеристики изделия:
ПараметрЗначение
длина1640 мм
ширина1540 мм
высота80 мм
масса500 кг
нормативный документСерия 1.450-1

 ЛП 15-2  Площадки для междуэтажных лестничных маршей Серия 1.450-1.