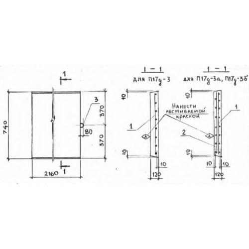
П 17 д
Характеристики изделия:
| Параметр | Значение |
|---|---|
| длина | 740 мм |
| ширина | 2160 мм |
| высота | 120 мм |
| масса | 480 кг |
| нормативный документ | Серия 3.006.1-2/82 |
Цена:
Рассчитать стоимостьП 17 д Плиты перекрытия лотков доборные Серия 3.006.1-2/82.
| Параметр | Значение |
|---|---|
| длина | 740 мм |
| ширина | 2160 мм |
| высота | 120 мм |
| масса | 480 кг |
| нормативный документ | Серия 3.006.1-2/82 |
П 17 д Плиты перекрытия лотков доборные Серия 3.006.1-2/82.
