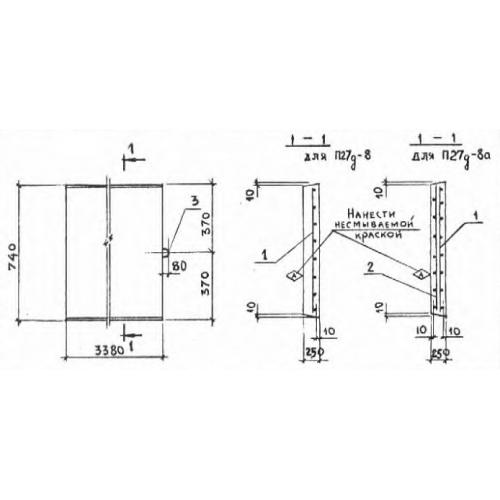
П 27 д

Чертеж изделия:
Характеристики изделия:
ПараметрЗначение
длина740 мм
ширина3380 мм
высота250 мм
масса1560 кг
нормативный документСерия 3.006.1-2/82

П 27 д Плиты перекрытия лотков  доборные Серия 3.006.1-2/82.