ПП 1 плита

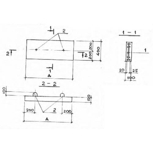
Чертеж изделия:
Характеристики изделия:
ПараметрЗначение
длина640 мм
ширина400 мм
высота100 мм
масса50 кг
нормативный документСерия 3.006.1-2/87

ПП 1 Плиты перекрытия лотков (плоские подкладки) Серия 3.006.1-2/87.