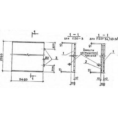
П 20/2 плиты лотков

Чертеж изделия:
Характеристики изделия:
ПараметрЗначение
длина1495 мм
ширина2460 мм
высота140 мм
масса1285 кг
нормативный документСерия 3.006.1-2/87

П 20/2 Плиты перекрытия лотков Серия 3.006.1-2/87.