ПП 1 плита
Характеристики изделия:
| Параметр | Значение |
|---|---|
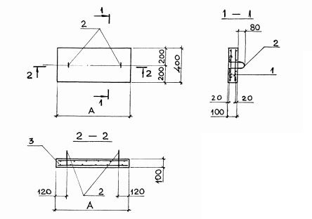
| длина | 550 мм |
| ширина | 400 мм |
| высота | 100 мм |
| масса | 60 кг |
| нормативный документ | Серия 3.006.1-8 |
Цена:
Рассчитать стоимостьПП 1 Плоские подкладки под стыки сборных элементов канала Серия 3.006.1-8.
| Параметр | Значение |
|---|---|
| длина | 550 мм |
| ширина | 400 мм |
| высота | 100 мм |
| масса | 60 кг |
| нормативный документ | Серия 3.006.1-8 |
ПП 1 Плоские подкладки под стыки сборных элементов канала Серия 3.006.1-8.