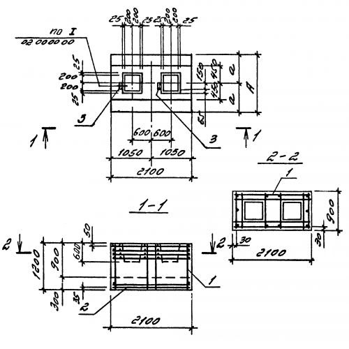
Фм 4

Чертеж изделия:
Характеристики изделия:
ПараметрЗначение
длина2100 мм
ширина1200 мм
высота1200 мм
масса5775 кг
нормативный документСерия 3.016.1-9

Фм 4  Фундаменты монолитные Серия 3.016.1-9.