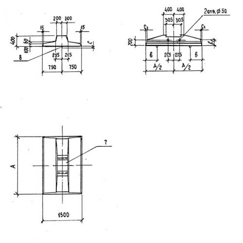
П 1.5-1.5 Плита

Чертеж изделия:
Характеристики изделия:
ПараметрЗначение
длина1500 мм
ширина1500 мм
высота400 мм
масса1000 кг
нормативный документСерия 3.407.1-144

П 1.5-1.5  Плиты фундаментов по Серии 3.407.1-144.