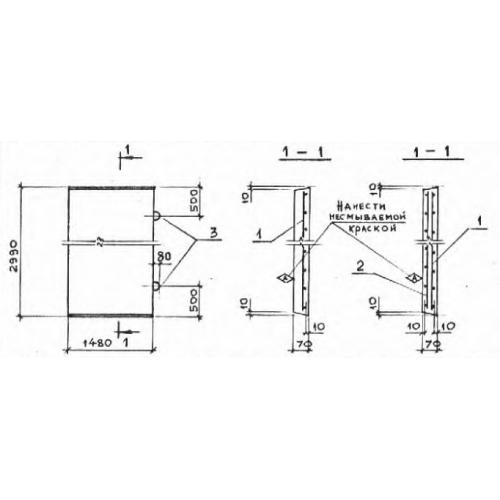
П 10 плита

Чертеж изделия:
Характеристики изделия:
ПараметрЗначение
длина2990 мм
ширина1480 мм
высота70 мм
масса770 кг
нормативный документСерия 3.900.1-12

П 10  Плиты перекрытия лотков по Серии 3.900.1-12.