ВБК-3.0

Чертеж изделия:
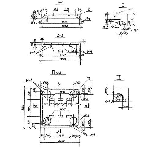
Характеристики изделия:
ПараметрЗначение
длина3260 мм
ширина3260 мм
высота380 мм
масса5250 кг
нормативный документСерия 3.903 КЛ-13

ВБК-3.0  Блоки камеры верхние по Серии 3.903 КЛ-13.