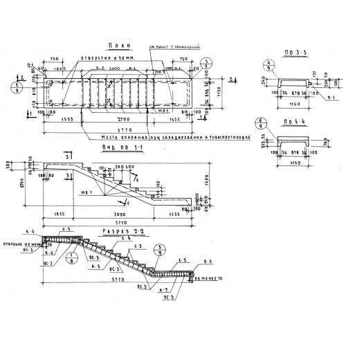
ЛМ 58-14

Чертеж изделия:
Характеристики изделия:
ПараметрЗначение
длина5770 мм
ширина1150 мм
высота1400 мм
масса2190 кг
нормативный документСерия ИИС 04-7

ЛМ 58-14 Лестничные марши по Серии ИИС 04-7.