ПЛХ-4

Чертеж изделия:
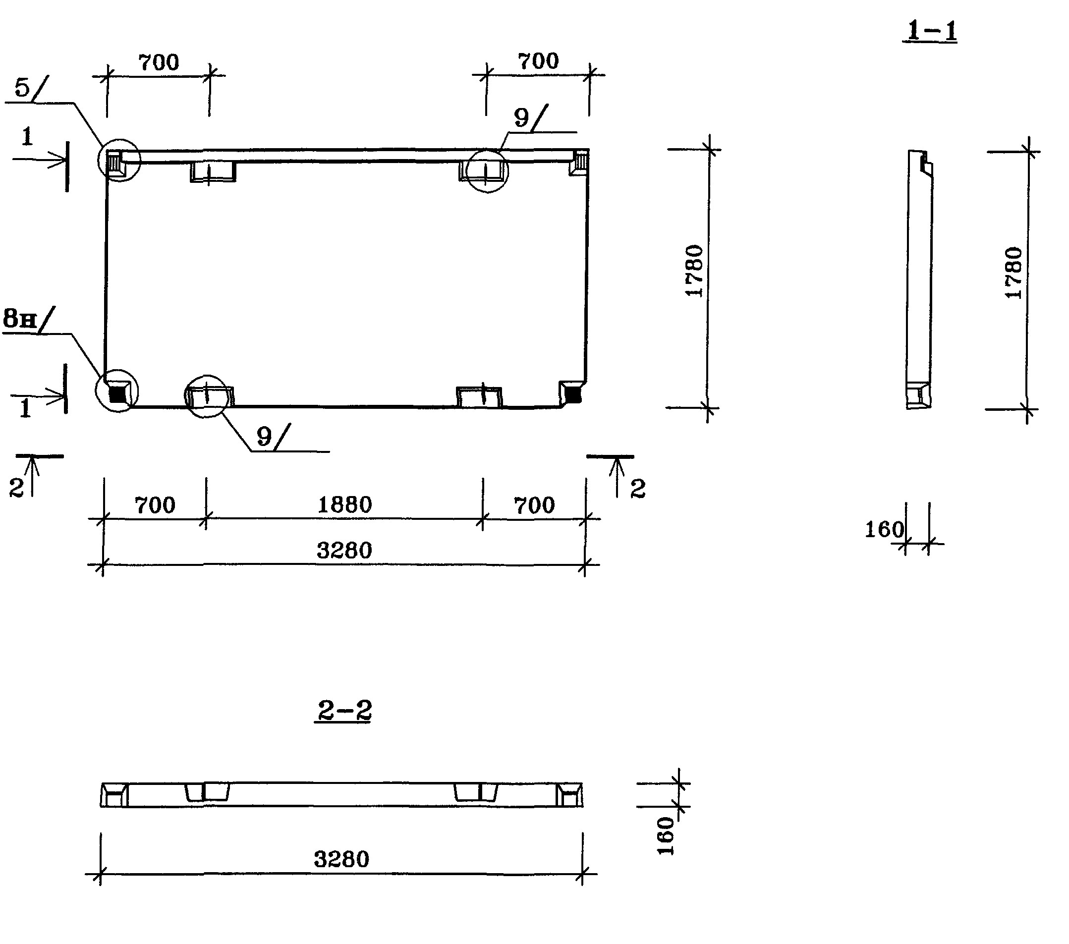
Характеристики изделия:
ПараметрЗначение
Длина L3280 мм
Ширина В1780 мм
Высота Н160 мм
Вес2195 кг
СерияИЖ 4.2-1
Норма погрузки на машину (20тн)9 шт
Вагонная норма погрузки-

Плита лифтового холла ПЛХ-4 изготавливаются по чертежам серии ИЖ 4.2-1 и предназначены для возведения лестниц при строительстве жилых зданий с высотой потолка 3 метра.