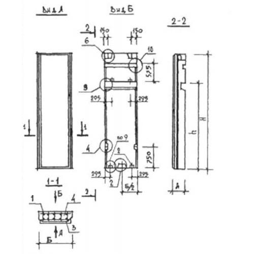
ВНП 12-41-4 наружные стеновые панели
Характеристики изделия:
| Параметр | Значение |
|---|---|
| длина | 4075 мм |
| ширина | 1190 мм |
| высота | 400 мм |
| масса | 2120 кг |
| нормативный документ | Серия КУБ 2.5 |
Цена:
Рассчитать стоимостьВНП 12-41-4 Вертикальные наружные стеновые панели Серия КУБ 2.5.
