УБ 9.59

Чертеж изделия:
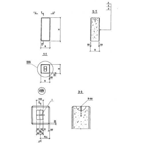
Характеристики изделия:
ПараметрЗначение
длина590 мм
ширина590 мм
высота880 мм
вес350 кг
Шифр1481

УБ 9.59 Угловые блоки по Шифру 1481.