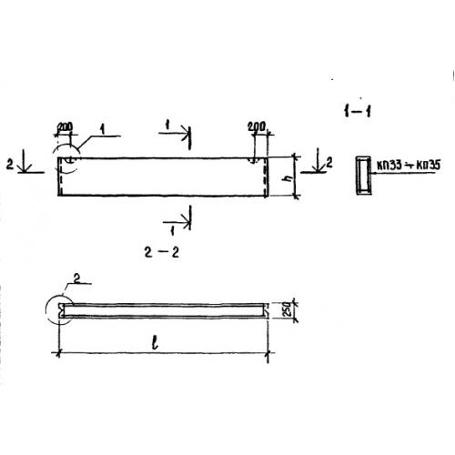
ПР 19.2.2

Чертеж изделия:
Характеристики изделия:
ПараметрЗначение
длина1880 мм
ширина200 мм
высота220 мм
вес60 кг
серияТП 213-2-183

ПР 19.2.2 Перемычки по проекту ТП 213-2-183.