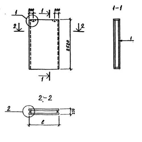
СБВ 6.25.2.5

Чертеж изделия:
Характеристики изделия:
ПараметрЗначение
длина580 мм
ширина250 мм
высота2520 мм
вес320 кг
серияТП 213-2-183

СБВ 6.25.2.5 Стеновые блоки внутренние по проекту ТП 213-2-183.