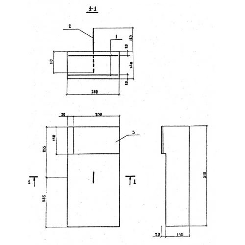
ОП 2

Чертеж изделия:
Характеристики изделия:
ПараметрЗначение
длина260 мм
ширина510 мм
высота140 мм
вес50 кг
серияТП 503-7-13.88

ОП 2 Опорные подушки по проекту ТП 503-7-13.88.